Loading ...
P513 - Plane grating monochromator (PGM) for soft X-ray radiation, FEL-II beamline at SHINE, China
P513 - Plane grating monochromator (PGM) for soft X-ray radiation, FEL-II beamline at SHINE, China

P513 – PGM FEL-II SHINE

Application

Plane grating monochromator (PGM) for soft X-ray radiation

Year of delivery

2025

Installation site

FEL-II beamline at SHINE, Shanghai, China

The relatively long optical elements required a customized design for the internal mechanics to achieve ultimate stability and repeatability. The stadium-shaped footprint of the vacuum chamber, which accommodate the longer optics, allows for reduced mass and higher eigenfrequencies compared to a rectangular chamber. Mounting-induced deformation of the optical components is minimized by implementing a bottom cooling system.

Design Features

  • Plane grating monochromator.
  • Spectral range: 200 – 2000 eV.
  • Optical elements: one plane mirror and three plane gratings.
  • Electrode at mirror surface for carbon contamination prevention.

  • Temperature sensors at internal mechanics, mirror and gratings .
  • Active water bottom cooling of all optical elements.

  • EtherCAT based motion control system, synchronized encoder readout, software with server-client architecture, TCP-IP protocol, EPICS interface.
  • Mechanically decoupled internal mechanics from the vacuum chamber.
  • Internal mechanics directly connected to the adjustable support structure underneath.
  • Adjustable support structure.
  • Permanently installed bakeout provisions.

Performance Features

  • High positioning resolution.
  • High pitch rotation stability and repeatability.
  • Minimized mounting induced deformations.

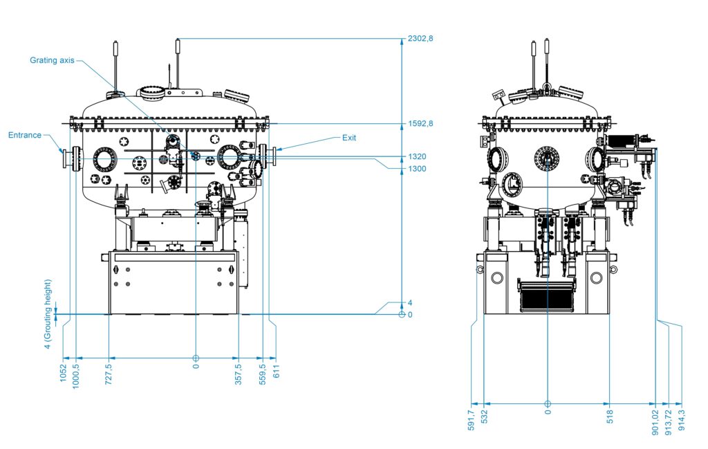
Outer Dimensions

P513 - Outer dimensions - Plane grating monochromator (PGM) for soft X-ray radiation, FEL-II beamline at SHINE, China

Technical specifications and performance values

General

Vacuum chamber

Chamber type

stadium shaped footprint

Main flanges

at the top

Material

1.4404 (C < 0.02%)

Base pressure

10-10 mbar range

Optical design parameters

Beam height (entrance)

1300 mm

Beam offset

20 mm

Number of plane mirrors

1

Plane mirror dimensions

800 mm x 50 mm

Number of gratings

3

Gratings dimensions

320 mm x 30 mm

Support structure

Adjustment ranges

Vertical translation

± 10 mm

Horizontal translation

± 10 mm

Pitch

± 1.5°

Roll

± 1.5°

Yaw

± 1.5°

Plane mirror

Pitch rotation

Range

-0.50° to +5.30°

Resolution (design value)

0.00263 µrad /motor fine step
(1/128, recommended)
0.001463 µrad /encoder count

Resolution (measured value)

0.05 µrad

Repeatability

0.11 µrad (pitch)
0.10 µrad (roll)

Long-term stability (> 1.5 h)

0.062 µrad

Long-term stability (> 30 min)
1.25 l/min water flow rate

0.072 µrad

Long-term stability (5 h)
1.25 l/min water flow rate

0.043 µrad
(measured with low noise incremental encoder)

Translation

Range

-41.80 mm to +35.80 mm

Resolution (design value)

0.0129 µm /motor fine step
(1/64, recommended)
0.05 µm /encoder count

Repeatability

0.11µrad (pitch)
0.12 µrad (roll)

Gratings

Pitch rotation

Range

-0.65° to +7.10°

Resolution (design value)

0.00263 µrad /motor fine step
(1/128, recommended)
0.001463 µrad /encoder count

Resolution (measured value)

0.05 µrad

Repeatability

0.08 µrad (pitch)
0.03 µrad (roll)

Long-term stability (> 1.5 h)

0.035 µrad

Long-term stability (30 min)
1.25 l/min water flow rate

0.036 µrad

Translation

Range

-85.20 mm to +85.30 mm

Resolution (design value)

0.0129 µm /motor fine step
(1/64, recommended)
0.05 µm /encoder count

Repeatability

0.08 µrad (pitch)
0.11 µrad (roll)

Performance Test Results

Pitch deviation after pitch change (mirror)
P513 - Pitch deviation after pitch change (mirror) - Plane grating monochromator (PGM) for soft X-ray radiation, FEL-II beamline at SHINE, China
Roll deviation after pitch change (mirror)
P513 - Roll deviation after pitch change (mirror) - Plane grating monochromator (PGM) for soft X-ray radiation, FEL-II beamline at SHINE, China
Pitch deviation after pitch change (grating)
P513 - Pitch deviation after pitch change (grating) - Plane grating monochromator (PGM) for soft X-ray radiation, FEL-II beamline at SHINE, China
Roll deviation after pitch change (grating)
P513 - Roll deviation after pitch change (grating) - Plane grating monochromator (PGM) for soft X-ray radiation, FEL-II beamline at SHINE, China
Pitch deviation after mirror translation
P513 - Pitch deviation after mirror translation - Plane grating monochromator (PGM) for soft X-ray radiation, FEL-II beamline at SHINE, China
Roll deviation after mirror translation
P513 - Roll deviation after mirror translation - Plane grating monochromator (PGM) for soft X-ray radiation, FEL-II beamline at SHINE, China
Pitch deviation after grating translation
P513 - Pitch deviation after grating translation - Plane grating monochromator (PGM) for soft X-ray radiation, FEL-II beamline at SHINE, China
Roll deviation after grating translation
P513 - Roll deviation after grating translation - Plane grating monochromator (PGM) for soft X-ray radiation, FEL-II beamline at SHINE, China
Mirror pitch positioning resolution
P513 - Mirror pitch positioning resolution - Plane grating monochromator (PGM) for soft X-ray radiation, FEL-II beamline at SHINE, China
Mirror pitch step width
P513 - Mirror pitch step width - Plane grating monochromator (PGM) for soft X-ray radiation, FEL-II beamline at SHINE, China
Grating pitch positioning resolution
P513 - Grating pitch positioning resolution - Plane grating monochromator (PGM) for soft X-ray radiation, FEL-II beamline at SHINE, China
Grating pitch step width
P513 - Grating pitch step width - Plane grating monochromator (PGM) for soft X-ray radiation, FEL-II beamline at SHINE, China
Mirror pitch long-term stability
P513 - Mirror pitch stability - Plane grating monochromator (PGM) for soft X-ray radiation, FEL-II beamline at SHINE, China
Grating pitch long-term stability
P513 - Grating pitch stability - Plane grating monochromator (PGM) for soft X-ray radiation, FEL-II beamline at SHINE, China
Mirror pitch long-term stability
(1.25 l/min water flow rate)
P513 - Mirror pitch stability with cooling water 1.25 l_min - Plane grating monochromator (PGM) for soft X-ray radiation, FEL-II beamline at SHINE, China
Grating pitch long-term stability
(1.25 l/min water flow rate)
P513 - Grating pitch stability with cooling water 1.25 l_min - Plane grating monochromator (PGM) for soft X-ray radiation, FEL-II beamline at SHINE, China
Mirror pitch long-term stability
(1.25 l/min water flow rate)
P513 - Mirror pitch stability with cooling water 1.25 l_min - Plane grating monochromator (PGM) for soft X-ray radiation, FEL-II beamline at SHINE, China
Residual gas analysis

 

P513 - Residual gas analysis - Plane grating monochromator (PGM) for soft X-ray radiation, FEL-II beamline at SHINE, China