
P470 – Experimental station SCS European XFEL
Application
Near ambient pressure experimental station for RIXS
Year of delivery
2020
Installation site
SCS instrument of the European XFEL, Germany
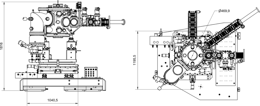
This very compact experimental station was designed for near ambient pressure operation at the SCS beamline of the European XFEL. A short differential pumping unit had to account for a pressure factor of 106. Alignment can be controlled remotely, considering access and space constrains at the installation site.
Design Features
- Provisions for laser in-coupling.
-
Differential pumping unit.
- Motorized and encoded support structure for remote alignment.
Performance Features
- High stability for small effective RIXS source size.
-
High positioning repeatability of the complete system after experiment exchange at the beamline.
- High positioning resolution and repeatability of all motion axes.
-
High pressure gradient at large beam appertures in the differential pumping unit.
Outer Dimensions
Technical specifications and performance values
General
Vacuum chamber
Chamber type
cylindrical, vertical axis
Main flange
at the top
Material
1.4404 (C<0.02%)
Base pressure
1.5 x 10-10 mbar
Vacuum chamber
Chamber lateral translation
Range
-15.40 mm to 15.10 mm
Resolution (design value)
0.025 µm/ motor fine step
(1/16, recommended)
0.05 µm /encoder count
Repeatability
2.6 µm
Chamber longitudinal translation
Range
-15.40 mm to 15.10 mm
Resolution (design value)
0.025 µm /motor fine step
(1/16, recommended)
0.05 µm /encoder count
Repeatability
3.3 µm
Chamber vertical translation / tilt
Range (translation)
-13.62 mm to 14.58 mm
(wedge leveler 1)
-14.12 mm to 14.21 mm
(wedge leveler 2)
Resolution (design value)
0.40 µm /motor step (at actuator)
0.08 µm/ motor step
(at wedge leveler)
0.05 µm /encoder count
Repeatability (translation)
1.2 µm
Range (tilt)
± 1.5°
Repeatability (tilt)
1.92 µrad
Chamber lateral rotation
Range
± 2.5°
Resolution (design value)
1.40 x 10-4 °/motor fine step
(1/512, recommended)
7.489 x 10-6 °/encoder count
Repeatability
0.45 µrad








