
P414 – Exit Slit Unit SISSY_soft EMIL BESSY
Application
Exit slit unit for soft X-ray synchrotron radiation
Year of delivery
2015
Installation site
EMIL soft X-ray beamline at BESSY, Helmholtz-Zentrum Berlin, Germany
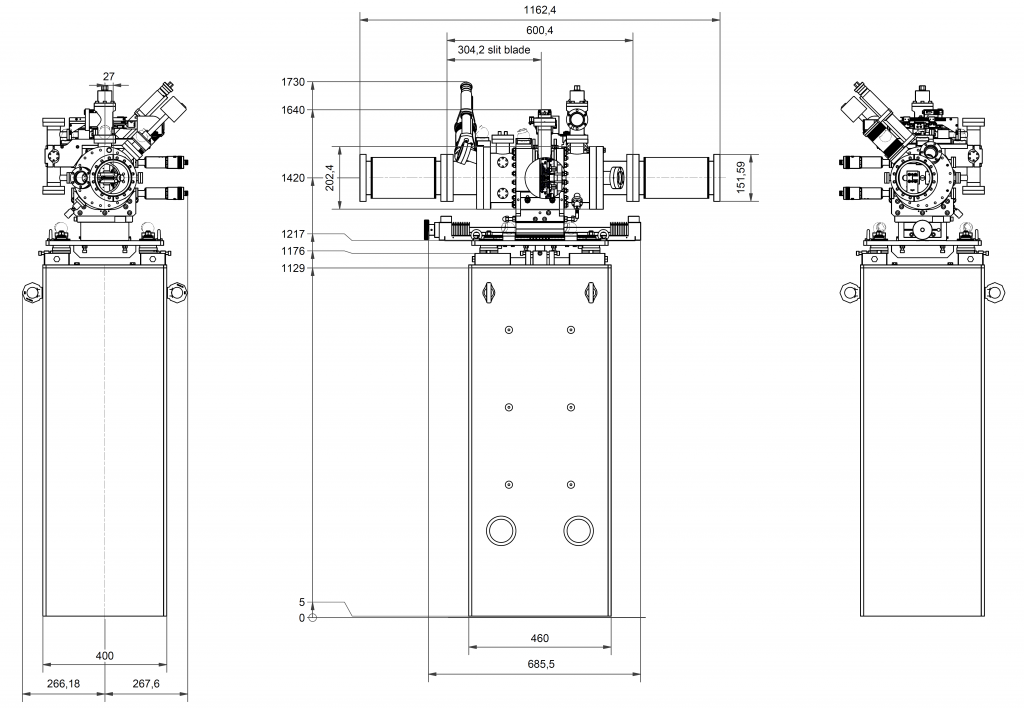
This soft X-ray exit slit unit is part of the combined hard and soft X-ray EMIL beamlines at BESSY. The vacuum chamber accomodates not only the actual beam but also the passing hard X-ray beam of the neighbouring branch.
Design Features
-
Vertically defining slit with motorized and encoded slit opening.
-
Symmetric slit opening, non-linear opening characteristics.
- OFHC slit blades.
- Horizontally defining aperture with independent manual translation of the aperture blades.
- Electrical isolation of horizontally defining aperture blades.
- Motorized slit unit translation along beam axis.
- Adjustable support structure.
Performance Features
- Precision and slit opening repeatability smaller than 100 nm.
- Parallelism smaller than 0.9 µm over 10 mm edge length.
- Straightness smaller than 0.5 µm over 10 mm edgle length.
- Very small deviation (submicrometer) of the slit opening calibration curve from the theoretical non-linear slit opening function.
Outer Dimensions
Technical specifications and performance values
General
Vacuum chamber
Chamber type
cylindrical, horizontal axis
Main flanges
DN160CF cluster flanges
Material
1.4301
Base pressure
10-9 mbar range
Translation along beam axis
Range
± 150 mm
Parasitic movement in
dispersion direction
< ± 3 µm
Parasitic movement in
horizontal direction
± 100 µm
Resolution (design value)
< 500 µm
Rotation around beam axis
Range
± 1° (in air only)
Resolution (design value)
2 µrad
Support structure
adjustment ranges
Longitudinal
± 10 mm
Vertical
± 10 mm
Lateral
± 10 mm
Pitch
± 1°
Roll
± 1°
Yaw
± 1°
Horizontally defining aperture
Aperture blades
Material
OFHC
Aperture opening
Range
-5 mm to +10 mm
Repeatability
< 50 µm
Resolution (design value)
10 µm
Vertically defining slit (VDS)
Slit blades
Material
OFHC
Straightness
< 0.10 µm over 10 mm (1σ)
Parallelism
0.03 µm /mm
(15 µm slit opening)
0.04 µm /mm
(25 µm slit opening)
0.08 µm /mm
(50 µm slit opening)
Slit opening
Range
2 µm to 5 mm
Repeatability
± 0.02 µm
(up to 490 µm slit opening)
Resolution (design value)
0.003 µm /motor fine step
(1/32, recommended)
0.01 µm /encoder count







