
P386 – Exit Slit Unit HERMES Soleil
Application
Exit slit unit for soft X-ray synchrotron radiation
Year of delivery
2014
Installation site
HERMES beamline at the synchrotron radiation source SOLEIL, France
Design Features
- Double slit mechanism – vertically and horizontally defining slits.
-
Motorized and encoded slits opening, symmetric opening, non-linear opening characteristics.
- OFHC slit blades.
-
Motorized and encoded translation of both slits transversal to the beam axis.
- Motorized slit unit translation along beam axis.
- Adjustable support structure.
Performance Features
- Precision and slit opening repeatability smaller than 100 nm.
- Parallelism smaller than 0.8 µm over 10 mm edge length.
- Straightness smaller than 0.5 µm over 10 mm edgle length.
- Very small deviation (submicrometer) of the slit opening calibration curve from the theoretical non-linear slit opening function.
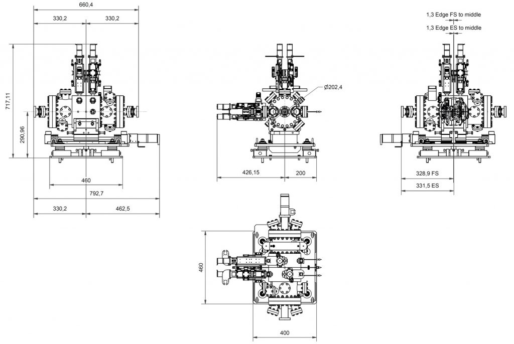
Outer Dimensions
Technical specifications and performance values
General
Vacuum chamber
Chamber type
cylindrical, horizontal axis
Main flanges
DN160CF cluster flanges
Material
1.4301
Base pressure
10-10 mbar range
Translation along beam axis
Range
± 100 mm
Parasitic roll
< 100 µrad
Repeatability
< 10 µm
Resolution (design value)
1 µm /step (full step at actuator)
Horizontally defining slit (HDS)
Slit blades
Material
OFHC
Straightness
< 0.15 µm over 10 mm (1σ)
Parallelism
-0.07 µm /mm
(15 µm slit opening)
-0.07 µm /mm
(25 µm slit opening)
-0.12 µm /mm
(50 µm slit opening)
Slit opening
Range
2 µm to 6.7 mm
Repeatability
± 0.02 µm
(up to 345 µm slit opening)
Resolution (design value)
0.006 µm /motor fine step
(1/16, recommended)
0.05 µm /encoder count
Slit translation
Range
-1.8 mm to +9.2 mm
Resolution (design value)
0.006 µm /motor fine step
(1/16, recommended)
0.05 µm /encoder count
Vertically defining slit (VDS)
Slit blades
Material
OFHC
Straightness
< 0.10 µm over 10 mm (1σ)
Parallelism
-0.04 µm /mm
(15 µm slit opening)
-0.03 µm /mm
(25 µm slit opening)
-0.02 µm /mm
(50 µm slit opening)
Slit opening
Range
5.5 µm to 6.7 mm
Repeatability
± 0.08 µm
(up to 315 µm slit opening)
Resolution (design value)
0.006 µm /motor fine step
(1/16, recommended)
0.05 µm /encoder count
Slit translation
Range
-3.2 mm to +7.5 mm
Resolution (design value)
0.006 µm /motor fine step
(1/16, recommended)
0.05 µm /encoder count














